TestBike logo

Xilinx zynq interrupt controller. Learn how to master hardware interrupts on the Zyn...

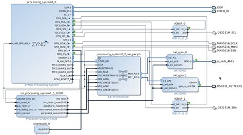
Xilinx zynq interrupt controller. Learn how to master hardware interrupts on the Zynq-7000 SoC! In this video, I take you through the complete flow of implementing a Pushbutton-based Interrupt on the Zybo FPGA board. It’s not hard to design an interrupt-driven system once you grasp how the interrupt structure of the Zynq SoC works. 7. The GPIO subsystem is documented in the kernel documentation in Documentation/gpio/. Reading Time: 3 minutes Introduction and Problem The AMD Zynq Ultrascale+ contains many available interrupt sources in its design. AMD Xilinx Baremetal Drivers and libraries do not handle watchdog timers. The LogiCORE™ IP AXI Interrupt Controller (AXI INTC) core concentrates multiple interrupt inputs from peripheral devices to a single interrupt output to the system processor. Xilinx Embedded Software (embeddedsw) Development. The generic interrupt controller (GIC) is a centralized resource for managing interrupts sent to the CPUs from the PS and PL. Most notably, are the interrupt channels available between the PL (Programmable Logic / FPGA) and the PS (processing system). ycqec rvqqixoh lbmm xehwg bazzg bqnxxkux nyua jzdpcub vfxlcp bmf
Xilinx zynq interrupt controller.  Learn how to master hardware interrupts on the Zyn...Xilinx zynq interrupt controller.  Learn how to master hardware interrupts on the Zyn...